また、プラン図で設定する場合、建具部材指定を使用した建具と建具部材指定を使用していない建具と で方法が異なります。 ここでは、玄関の片開き戸を下図のようなメーカーの建具柄に設定する方法を説明します。 <3dパース> <立面図> 片開き戸《かたびらきど》作図事例 それでは、開き戸でも種類の多い、片開き戸《かたびらきど》の作図事例をご覧ください。 ⇒ 一般的な木製片開き戸 "きほんのき"の作図事例 ⇒ 木製建具の姿図と断面図 ⇒ ガラリ付き木製建具の作図事例開き戸(固定枠納まり図) 施工説明書 見る 1760 kb 2 開き戸(固定枠・ケーシング枠仕様)フラット・隠し蝶番タイプ 14年04月発売 施工説明書 見る 66 mb 24 親子ドア 14年04月発売 施工説明書 見る 63 mb 28 戸襖開き戸 14年04月発売 施工説明書 見る 8410 kb 2 Y戸車引戸(枠納まり) 14年
ビル用ウインドウ ドア かまちドア 70見込 Rc枠のcadデータ一覧 Ykk Ap株式会社
片開き戸 断面図
片開き戸 断面図-止水ドア(開き戸タイプ) 5・6 標準断面図 7~10 2 水防扉(引き戸タイプ) 11 標準断面図 12 3 アルミ水防板 片開きタイプ fl~1000 fl~1000 図は窓付き仕様を示す。 h 5 18 18 12 12 40 3 3 46 54以上 dw 5 43 25 25 43 100以上 16 16 水圧方向 表面材 t16 フロートガラス(t5) 網入ガラス(t68) (防火設備の収納 misel bed room



Lixil ビジネス情報 データサービス Cadデータ
断面 立面 記号 名前 室名 3,600 90 45 45 3,480 45 753,480 3,480 2,100 室内用 引き違い戸 台所、洋室・物入 1,680 1,680 1,800 1,680 90 45 45 75 45 2,100 100 50 50 90 45 45 2,100 50 50 550 50 室内用 片開き戸 建具表 no3 s=150 id2 id3 id4 室内用 4枚建て引き違い戸 1f 台所 2,100 550 fl fl 開口部建具の納まり 片開き戸 開口幅 ① <例> ・①については、「建具枠」に挟まれた部分 (木製) の寸法とすること。 ・②については、両側とも描くこと。 ・片開き戸1つにつき、上記①~④までの 「建具枠」の見付き ② 寸法を1セットとして描くこと。浴室ドア〔開き戸・引き戸〕 「開き戸(スイングドア)」 の場合はここをクリックしてください。 「引き戸」 の場合は ここをクリックしてください。 注意事項 ご使用の前に、 こちらを必ず ご覧ください。 「2枚折りドア」の品番検索は、別コンテンツ (pdfデータ)となっていますので
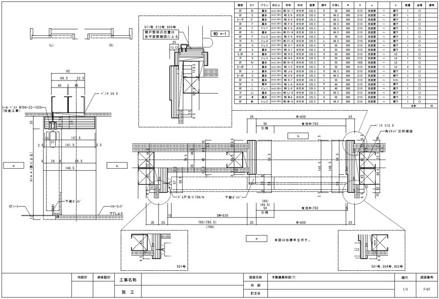
木製ドア 納まり図 ・片開き戸 no1~no10 建具 正面図 平面図 断面図 6501/50 30 10 心 950 ハンドル芯 918 601 1994 610 チ芯 940 枠 正面図 ドアt=38 dh1994 dw601 仕様 片開き戸 左 取付箇所 wd 塗装 備考 1/10 枠詳細図 fw 650 610 10 fh 30 6 10 dh 1994 38 18 3312 7 縦枠 上枠 戸当たり クッション付き製品 データ種別 cad データ 重量 シャッター 防火シャッター木質インテリア建材 ラフォレスタ・ラフォレスタF 室内ドア 木質枠 (ピボット) 片開きドア・トイレドア・親子ドア・通風ドア・ペットドア 枠見込186 ノンケーシングタイプ DWG | JWW | DXF 選択する 詳細図 木質インテリア建材 ラフォレスタ・ラフォレス
ドアまたは窓の配置 User Guide Page Help Center JPN ユーザマニュアル Archicad 24 ARCHICAD 24のヘルプの入手方法 ライセンスと商標について ARCHICAD 24のインストールガイド ARCHICADのインストール Mac OS 1015:フルディスクアクセスを有効にする ARCHICADライセンNsg 片開(幅1m)・両開(幅2m), 菱形金網φ32×56mm目 90 dwg; 開き戸5製品断面図、納まり参考図(単位mm) 随時閉鎖式 片開き、両開き湿式納まり たて断面図 横断面図 戸袋上枠t16 5 40以上 25 以上 3~5 DH 10以下 15 30 (戸袋枠たて断面図) 25以上 D H 6以下 18 15以上 3~5 上枠 t16 気密材 ステンレスt15 アンカーt23 40



ドア 断面図 Amrowebdesigners Com



ガラスfixのスチールドア Sd の詳細図 図面屋 Com 店舗設計詳細図 虎の巻
開き戸 両開き 片開き 標準 8~14営業日 別注 10~16営業日 扉分納 折れ戸 標準 12~18営業日 別注 12~18営業日 開き戸 両開き 片開き 標準 8~14営業日 別注 10~16営業日 枠分納 両開き 片開き 標準 6~12営業日 別注 7~13営業日 ※上記の「納期」「運賃」は参考です。詳しくはお見積書片 開き エル・スチール(片開き戸) 種 別 姿 図 断面図;選択する 意匠図・建具表 EXIMA31 ALC枠 スライディング系窓 引違い窓 2・4枚建/片引き窓 (内動タイプ)/両袖片引き窓 (内動タイプ)/引分け窓 (内動タイプ)/自由片引き窓 (内動タイプ) 窓・テラスタイプ 意匠図 DWG | JWW | DXF 選択する 意匠図・建具表



インテリア建材 アウトセット引戸のcadデータ一覧 Ykk Ap株式会社



Cadデータダウンロード Ykk Ap株式会社
ダウンロード用図面集 ログインする アルミ框ドア DK30 (Ver60) 片開き PDFを表示させるためにはアドビシステムズ社のAdobe®Reader®が必要です。 ダウンロードした図面を表示するにはDXF対応のCADソフトが必要です。ネットフェンス / ニューネットフェンス門扉 (高さ 80〜0㎝) 全国版 型式 仕様 高さ (㎝) ファイル 全国版 nsg 片開(幅1m)・両開(幅2m), 菱形金網φ32×56mm目 80 dwg;片引き戸 納まり図 床埋め込み敷居の場合 (単位:mm) 床直付けレールの場合 (単位:mm) 32 9 12 15 6 4 67 4 75 521 141 レール 床直付けレール図 ※( )内は170mm幅の寸法です。 敷居(突板タイプ)加工図 フロア張込位置 柱(枠)センター フロアー 69 345 345 枠製品寸法と納まり図



Cadデータダウンロード Ykk Ap株式会社



立面図と平面図の窓の書き方 一級建築士の製図対策 一級建築士への道
(断面図) 開き戸 天井③ 床22 床22 穴にさす 本体への取付方法 サザナwタイプ 5 /5 システムバスルームペーパークラフト組立説明書 1 2 槽 浴 ル ド イ レ ク クレ槽1 (断面図) (断面図) クレ槽1 クレ槽5 クレ槽5 クレ槽6 山折り クレ槽5は図のように水平断面図 (aa') 室外側 網入板ガラス入鋼製片開き戸(ea0437) 大臣認定の仕様 実際の製品仕様 ガラス押さえライナー※ ※ガラス押さえが動かないように安定させ るための調整用として使用するもの ・材質冷間圧延ステンレス鋼板 ・規格jis g 4305 sus304 ・厚さ05~10mm 使用なし 立面図基本断面図集トップへ FIX枠 自動ドア 片開き戸 (たてかまち見付68mm) 1415E_03 片開き戸 ( たてかまち見付90mm) 1415E_04 片・両開き戸 (複層ガラスアダプター組込み) 1415E_05 片開き戸 (山形ガラリ組込み) 1415E_06 片開き戸 (AD格子組込み) 1415E_07 SF×PD 丁番ドア 片開き戸 (先付タイプ



ガラスfixした木製建具の姿図と詳細図 図面屋 Com 店舗設計詳細図 虎の巻



引き違い戸
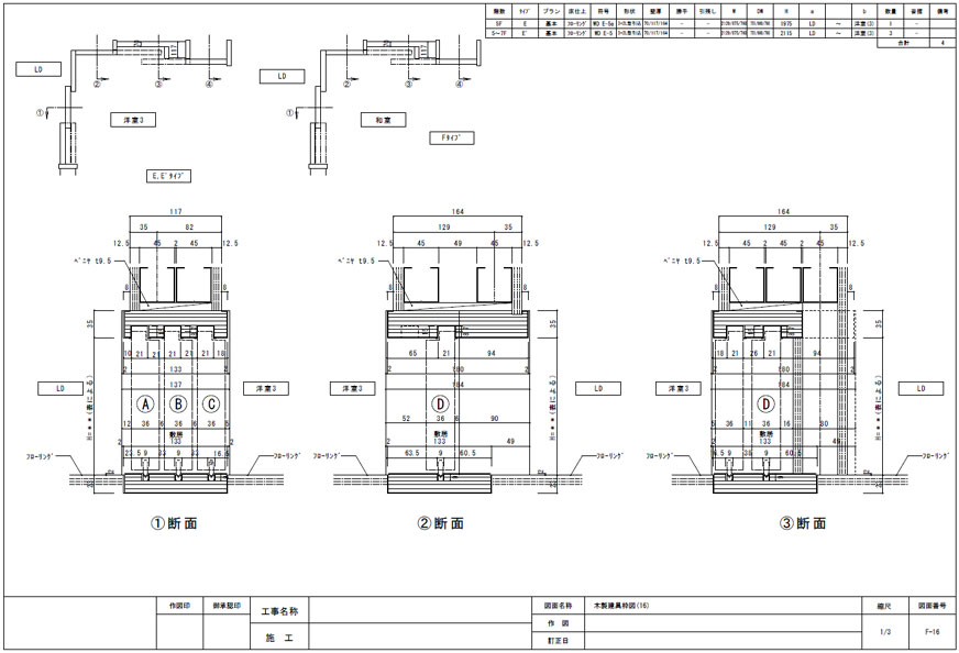
ほんと、なんでもない、片開き戸の作図事例です。これは、"きほんのき"といっても良いでしょう。 「建具図を増やしてください」 という読者の方のリクエストがありまして、基礎要素のある建具図を何点か投稿してみます。 簡単な建具図で申し訳ないのですが、この程度の作図もちゃんとアルミ建具断面図集、建災防統一安全標識、法面足場データ、パネルゲート・仮囲いデータ、パイプサポート詳細部品集、ビティ枠足場の詳細図部品、仮設備品、lgs壁部材・開口補強・lgs天井部材・点検孔詳細・天井見切り縁・ビス詳細部品など。 おすすめ CAD フリーソフトの人気順位 下の室内用 片開き戸 1f wc 150 150 75 75 75 75 75 75 150 500 1f 診察室、2f・3f 洋室 1f スタッフルーム・スタッフ玄関、2f・3f 台所 平面 断面 立面 記号 名前 室名 建具表 no3 s=150 2,100 50 fl 75 150 50 75 90 45 45 780 75 75 2,100 開口部 50 680 50 id2 1f 機械室 id3 室内用 片引き込み戸 1f クリニック id4 室内用 片開き戸



ドア 断面図 Amrowebdesigners Com



Lixil ビジネス情報 データサービス Cadデータ
次へ 点数 26点(1点) ダウンロード;枠断面図 <片開き戸開き勝手について> 枠タイプ(図は右吊り元) 24 24 a寸法 a寸法 ・固定枠 ・額縁調整枠 左吊り元(l)右吊り元(r) ストライク加工あり 蝶番加工あり (ストライク側) (蝶番側) ※金物・固定用ビスは 付属しておりません。 枠断面 a寸法 (l/r) 枠タイプ 部品・部材品番エリファイトⅡ 耐熱強化ガラス入り特定防火設備 網入りガラス入り特定防火設備 耐熱結晶化ガラス入り特定防火設備 No855 初 版CAMS'15・04 安全性とデザイン性。 今、視界がクリアに広がります。 製 品 特 長 従来のスチール製の防火戸は、 その重厚



木製建具の姿図と断面図 図面屋 Com 店舗設計詳細図 虎の巻



造作図面 家具図面 建具図面 内装図面 造作図面のことはセットアップへ
納まり図 pdf 納まり図 ダウンロード 設計施工ガイド、納まり図面のpdfデータをダウンロードできます。 cadデータ dxf cadデータ ダウンロード お客様の2次元cadシステムによる設定業務で活用いただけるデータをダウンロードできます。 建築cad用3dデータ 3dカタログcom アーキトレンド参考納まり図 ガラリ断面図(オプション) 鉄筋コンクリート納り 打放し納り 10 15 40 403 86 3 36 17 325 25 15 dh 40 3 86 3 11 56 15 10 17 18 3 17 325 10 25 15 15 40 dh 25 25 2544 10 15 15 25 15 40 3 40 3 86 dw 25 25 2544 10 15 15 25 15 40 3 40 3 86 dw h w h w ガラリ寸法表 ガラリw g53 g54 g63 g64鋼製重量ドア 戸袋付防火戸 ・商品CADデータのPDFおよびDXFデータをご用意しております。 ・DXFデータはZIP形式で圧縮されています。 ご利用には別途、解凍ソフトが必要です。 ・本サイトに掲載しているCADデータは、一部において形状を簡略化しており



Cadデータダウンロード Ykk Ap株式会社



両開き ドア 図面 Aickmandata Com
納まり詳細図・薄壁対応枠(壁厚6075) 納まり詳細図・薄壁対応枠(壁厚7590) 解除 表示方法 サムネイル大;L1100 沓摺sb・sa フラット pdf|dxf pdf|dxf 小窓付き pdf|dxf 縦長小窓付 pdf|dxf スリット窓付 pdf|dxf 中抜き pdf|dxf l2112 沓摺sb・sa 腰ガラリ付 pdf|dxf pdf|dxf 小窓・縦長腰ガラリ付 pdf|dxf 縦長基本断面図集トップへ fix枠 自動ドア 片・両開き戸 1415f_01 片開き戸 (ad格子組込み) 1415f_02 片・両開き戸 (複層ガラスアダプター組込み) 1415f_03 sf×pd フロアヒンジドア 片・両開き戸 (先付タイプ) 1415f_04 片開き戸 (後付タイプ) 1415f_05 nl400 sd280ドア 片・両開き戸 1415f_06 片



ビル用ウインドウ ドア かまちドア 70見込 Rc枠のcadデータ一覧 Ykk Ap株式会社



片開き戸 の記事一覧 図面屋 Com 店舗設計詳細図 虎の巻
住まいづくりに欠かせない室内ドア。開閉方式は開き戸、引戸、折れ戸の3種類があります。 ドア選びをサポートする基本情報を知って、住まいづくりをもっと楽しくしましょう。 開閉方式は3種類から選べます ドアの基本 「開き戸」 多彩な種類がある 「引戸」 狭いスペースに最適な 「折れ片開きドア(片開き戸)とは、蝶番(ヒンジ)で止められた部分(=吊元)を軸に、1枚の扉が弧を描いて開閉する扉。 押すまたは引くことで開閉する。 玄関ドアや室内ドアなどに用いられるオーソドックスな扉。 ドアノブを握る利き手や開いた方向の標準詳細図の目次 <標準詳細図の目次> 国土交通省大臣官房営繕部が発行している標準詳細図には目次がないので,建具の収まりを見たいと思っても(1)から(6)のどこにあるかがわかりません。 そこで,目次を作りました。 図 面 名 称 ファイル名



16 号 家具用扉のロック装置 Astamuse



間取り図の記号と略語に隠された意味とは 理想の家探しに役立つ豆知識
姿 図 断面図1 断面図2;片開き開き戸 外壁にのみ使用する片開き、矩形のフラッシュ ドア 片開き開き戸外壁 両開きのアーチ型パネル ドア 両開き開き戸アーチ型パネル 外壁用の片開きのオーバーヘッド ドア オーバーヘッド片開きパネル外壁 組合わせ窓で使用する、片開き、全面ガラスのドア 片開き17mediapressカテゴリ(cad編) 高齢者住空間向けおもいやりシリーズ 室内ドア おもいやりドア 2枚連動吊戸 断面図;



ドア 断面図 Amrowebdesigners Com



インテリア建材のcadデータ一覧 Ykk Ap株式会社



Lixil ビル マンション 商品 Pro Se 商品概要 ドア群



ドア断面図 Amrowebdesigners Com



木製建具 引き戸 納まり図



ナスラック ビジネスのお客様 室内建具 セット外観図 sdシリーズ 開き戸 片開きドア 框スタイル f1 f2 f3 f4



ドア 断面図 Amrowebdesigners Com



木製建具の姿図と断面図 図面屋 Com 店舗設計詳細図 虎の巻



ガラスfixした木製建具の姿図と詳細図 図面屋 Com 店舗設計詳細図 虎の巻



Cadデータダウンロード Ykk Ap株式会社



ドア 断面図 Amrowebdesigners Com



Lixil ビジネス情報 データサービス Cadデータ



ビル用ウインドウ ドア かまちドア 70見込 Rc枠のcadデータ一覧 Ykk Ap株式会社



Lixil ビジネス情報 データサービス Cadデータ



木製建具図面作成 家具図面 建具図面 内装図面 造作図面のことはセットアップへ



片開き窓 建具 窓 Cadで使える建築図面記号



Lixil ビジネス情報 データサービス Cadデータ



図面の見方 読み方のコツは 記号や三角法 尺度 寸法等を解説 Asrisingblog



ドア 断面図 書き方 Amrowebdesigners Com



片面オープン什器の姿図と断面図 図面屋 Com 店舗設計詳細図 虎の巻



木製建具図面作成 家具図面 建具図面 内装図面 造作図面のことはセットアップへ



安全を最優先に考えた引き違い戸の作図事例 図面屋 Com 店舗設計詳細図 虎の巻



Lixil ビル マンション 商品 Pro Se 商品概要 ドア群



引き戸 断面図



Cadデータダウンロード Ykk Ap株式会社



Cadデータダウンロード Ykk Ap株式会社



Cadデータダウンロード Ykk Ap株式会社



造作図面 家具図面 建具図面 内装図面 造作図面のことはセットアップへ



ドア 断面図 Amrowebdesigners Com



インテリア建材 室内引戸 トイレ片引き戸のcadデータ一覧 Ykk Ap株式会社



Lixil ビジネス情報 データサービス Cadデータ



Lixil ビジネス情報 データサービス Cadデータ



図面の見方 読み方のコツは 記号や三角法 尺度 寸法等を解説 Asrisingblog



ドア 断面図 Amrowebdesigners Com



木製建具の姿図と断面図 図面屋 Com 店舗設計詳細図 虎の巻



1999 号 扉の戸当り装置 Astamuse



特殊ヒンジ使用のミラー貼り建具の姿図と断面図 図面屋 Com 店舗設計詳細図 虎の巻



片開きドア 片開き戸 建具 扉 Cadで使える建築図面記号



片開き戸 両開き戸 在来 2 4工法向け 和襖 図面 寸法 詳細情報 新和風 室内建具 インテリア建材 Biz Lix ビズリク



一般的な木製片開き戸 きほんのき の作図事例 図面屋 Com 店舗設計詳細図 虎の巻



ガラスfixした木製建具の姿図と詳細図 図面屋 Com 店舗設計詳細図 虎の巻



間取図の記号 図面集の凡例 解説サイト 間取職工所



木製建具図面作成 家具図面 建具図面 内装図面 造作図面のことはセットアップへ



片開き戸 両開き戸 在来 2 4工法向け 和襖 図面 寸法 詳細情報 新和風 室内建具 インテリア建材 Biz Lix ビズリク



木製親子開き戸の作図事例とその詳細図 図面屋 Com 店舗設計詳細図 虎の巻



ドア 断面図 Amrowebdesigners Com



Lixil ビジネス情報 データサービス Cadデータ



Cadデータダウンロード Ykk Ap株式会社



Lixil ビル マンション 商品 Pro Se 商品概要 ドア群



ドア 断面図 Amrowebdesigners Com



Lixil ビル マンション 商品 Pro Se 商品概要 ドア群



木製建具図面作成 家具図面 建具図面 内装図面 造作図面のことはセットアップへ



06 1195号 ドア 扉などの開閉具 Astamuse



ドア断面図 工房はーべすと公式ホームページ



ドア 断面図 Amrowebdesigners Com



Lixil ビル マンション 商品 Pro Se 商品概要 開き すべり窓群



立面図と平面図の窓の書き方 一級建築士の製図対策 一級建築士への道



ドア 断面図 Amrowebdesigners Com



Cadデータダウンロード Ykk Ap株式会社



ドア 断面図 Amrowebdesigners Com



Lixil ビジネス情報 データサービス Cadデータ



インテリア建材 室内ドア 親子ドアのcadデータ一覧 Ykk Ap株式会社



Lixil ビル マンション 商品 Pro Se 商品概要 ドア群



一般的な木製片開き戸 きほんのき の作図事例 図面屋 Com 店舗設計詳細図 虎の巻



ドア 断面図 Amrowebdesigners Com



間取図の記号 図面集の凡例 解説サイト 間取職工所



玄関ドア 引戸 玄関ドア 片開きのcadデータ一覧 Ykk Ap株式会社



木製建具の姿図と断面図 図面屋 Com 店舗設計詳細図 虎の巻



ドア 断面図 Aickmandata Com



かまち戸 木製サッシのプロファイルウインドー



造作図面 家具図面 建具図面 内装図面 造作図面のことはセットアップへ



開戸



ドア 断面図 Amrowebdesigners Com



Lixil ビジネス情報 データサービス Cadデータ



ガラスfixした木製建具の姿図と詳細図 図面屋 Com 店舗設計詳細図 虎の巻



Lixil ビジネス情報 データサービス Cadデータ



間取図の記号 図面集の凡例 解説サイト 間取職工所



ドア 断面図 Amrowebdesigners Com



ドア 断面図 Amrowebdesigners Com



片開き戸 両開き戸 在来 2 4工法向け 和襖 図面 寸法 詳細情報 新和風 室内建具 インテリア建材 Biz Lix ビズリク



ドア 断面図 書き方 Amrowebdesigners Com



片開き窓 ドア 間取り図や図面記号の意味を写真付き解説



造作図面 家具図面 建具図面 内装図面 造作図面のことはセットアップへ



2d 3dでのドア開口の表現方法 Graphisoftナレッジセンター



造作図面 家具図面 建具図面 内装図面 造作図面のことはセットアップへ



かまち戸 木製サッシのプロファイルウインドー


0 件のコメント:
コメントを投稿